首页
关于我们
公司简介
企业文化
组织架构
生产设备
企业荣誉
产品中心
新闻资讯
公司新闻
行业资讯
荣誉资质
生产设备
企业荣誉
招贤纳士
样本下载
联系我们
联系方式
在线留言
English
您的位置:
首页
-
产品中心
-
微动开关
-
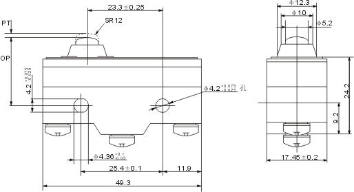
LXW5-11D
产品分类
船形开关
KCD2防水开关
KCD1-104
KCD1-106
KCD1-107
KCD1-108
KCD1-110
KCD1-115
KCD1-116A
KCD1-AP
KCD1-B
KCD1-B2
KCD1-B3
KCD1-C1
KCD2
KCD3-1
KCD3-2
KCD4-201
KCD4-C1
KCD5-A2
KCD5-B
KCD11
KCD12-A
KCD13
钮子开关
微动开关
按钮开关
DS
PBS
AC-14电源插座
过载保护器
二合一过载保护开关
汽车船形开关
旋转开关
防水帽
联系方式
乐清市新建电子有限公司
电话:13587703213
邮箱:
1450693917@qq.com
网址:http://www.xjcn.cc
地址:浙江省乐清市黄华镇南山工业区
联系我们 >>
LXW5-11D
上一篇:
MTS-202、203、223
下一篇:
LXW5-11G1
返 回
长沙做网站